झेजियांग सहनाइडर इलेक्ट्रिक कं, लिमिटेड।
झेजियांग सहनाइडर इलेक्ट्रिक कं, लिमिटेड।
उत्पादों
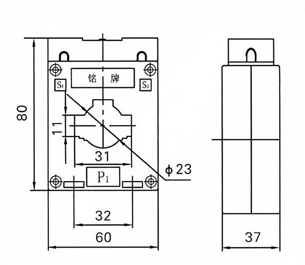
BH-0.66-30 वर्तमान ट्रांसफार्मर
  • BH-0.66-30 वर्तमान ट्रांसफार्मरBH-0.66-30 वर्तमान ट्रांसफार्मर

BH-0.66-30 वर्तमान ट्रांसफार्मर

BH-0.66-30 वर्तमान ट्रांसफार्मर (CTS) सटीक-इंजीनियर उपकरण हैं जो सटीक वर्तमान माप और कम-वोल्टेज इलेक्ट्रिकल सिस्टम में निगरानी के लिए डिज़ाइन किए गए हैं। 0.66kV के रेटेड इन्सुलेशन वोल्टेज के साथ, ये ट्रांसफार्मर ऊर्जा प्रबंधन, सुरक्षात्मक रिले और पैमाइश अनुप्रयोगों के लिए आदर्श हैं।

विशेषताएँ:

उच्च सटीकता: IEC 61869 मानकों को पूरा करता है, बिलिंग और निगरानी उद्देश्यों के लिए विश्वसनीय प्रदर्शन सुनिश्चित करता है।

कॉम्पैक्ट डिजाइन: तंग स्थानों में आसान स्थापना के लिए अंतरिक्ष-बचत निर्माण।

वाइड करंट रेंज: प्राथमिक वर्तमान 30 ए तक, विविध औद्योगिक और वाणिज्यिक भार के लिए उपयुक्त।

टिकाऊ सामग्री: मजबूत आवास पर्यावरणीय कारकों और यांत्रिक तनाव के लिए प्रतिरोध प्रदान करता है।

सुरक्षा अनुपालन: BH-0.66-30 वर्तमान ट्रांसफार्मर अंतर्राष्ट्रीय सुरक्षा और प्रदर्शन प्रमाणपत्रों के अनुरूप हैं।


आवेदन:

बिजली वितरण प्रणालियों में ऊर्जा पैमाइश।

सर्किट ब्रेकर्स और रिले में अति -संरक्षण।

स्मार्ट ग्रिड और IoT- आधारित निगरानी समाधानों के साथ एकीकरण।

तकनीकी निर्देश:

रेटेड वोल्टेज: 0.66kV

आवृत्ति: 50/60 हर्ट्ज

सटीकता वर्ग: 0.5, 1.0 (अनुकूलन योग्य)

बोझ: ग्राहकों की आवश्यकताओं के अनुसार


मुख्य तकनीकी पैरामीटर

अध्यापित प्राथमिक
वर्तमान (ए)
शुद्धता
कक्षाओं
संयोजन
रेटेड द्वितीयक आउटपुट (वीए) थर्मल करंट (KA) है रेटेड डायनेमिक करंट (KA)
0.2 (एस) 0.2 0.5 10p10
5-40 0.2/10p10
0.5/10p10
/ 10 10 15 90lin 220lin
5-40 100lin 250lin
5-40 20 50
5-40
5-40 36 90
10
5-40 45 100
5-40 56 100
5-40
5-40 80 110
5-40 100 110


हॉट टैग: BH-0.66-30 वर्तमान ट्रांसफार्मर
जांच भेजें
संपर्क सूचना
  • पता

    जियानगंग इंडस्ट्रियल ज़ोन, युकिंग, झेजियांग, चीन

  • टेलीफोन

    +86-13506554625

  • ईमेल

    river@dahuelec.com

यदि आपके पास उद्धरण या सहयोग के बारे में कोई जांच है, तो कृपया हमें river@dahuelec.com पर ईमेल करने के लिए स्वतंत्र महसूस करें या निम्नलिखित जांच फॉर्म का उपयोग करें। हमारे बिक्री प्रतिनिधि 24 घंटे के भीतर आपसे संपर्क करेंगे। हमारे उत्पाद में आपकी रुचि के लिए धन्यवाद।
X
हम आपको बेहतर ब्राउज़िंग अनुभव प्रदान करने, साइट ट्रैफ़िक का विश्लेषण करने और सामग्री को वैयक्तिकृत करने के लिए कुकीज़ का उपयोग करते हैं। इस साइट का उपयोग करके, आप कुकीज़ के हमारे उपयोग से सहमत हैं। गोपनीयता नीति
अस्वीकार करना स्वीकार करना